Описание
Изолирующие фланцевые соединения предназначены для изолирования или электрического разделения участков наружных трубопроводов, транспортирующих неэлектропроводящую среду (природный или сжиженный углеводородный газ).
| Температурный диапазон эксплуатации* | -40…+80 °С |
| Максимальное рабочее давление | 1,6 МПа |
| Электрическое сопротивление постоянному току при 500 В | не менее 5МОм |

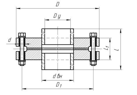
| Обозначение | Условный проход Dy, мм | Рабочее давление Py, кгс/см2 | db, мм | L1, мм | L, мм | D, мм | D1, мм | n, шт | d, мм | M, кг |
|---|---|---|---|---|---|---|---|---|---|---|
| ИФС-А-20-10 | 20 | 10 | 26 | 28 | 410 | 105 | 75 | 4 | 14 | 2,4 |
| ИФС-А-20-16 | 20 | 16 | 26 | 36 | 410 | 105 | 75 | 4 | 16 | 2,4 |
| ИФС-А-20-25 | 20 | 25 | 26 | 40 | 410 | 105 | 75 | 4 | 18 | 3,0 |
| ИФС-А-25-10 | 25 | 10 | 33 | 28 | 410 | 115 | 85 | 4 | 14 | 3,0 |
| ИФС-А-25-16 | 25 | 16 | 33 | 36 | 410 | 115 | 85 | 4 | 18 | 3,6 |
| ИФС-А-25-25 | 25 | 25 | 33 | 40 | 410 | 115 | 85 | 4 | 18 | 3,8 |
| ИФС-А-32-10 | 32 | 10 | 39 | 36 | 410 | 135 | 100 | 4 | 20 | 4,5 |
| ИФС-А-32-16 | 32 | 16 | 39 | 40 | 410 | 135 | 100 | 4 | 20 | 5,0 |
| ИФС-А-32-25 | 32 | 25 | 39 | 44 | 410 | 135 | 100 | 4 | 20 | 5,3 |
| ИФС-А-40-10 | 40 | 10 | 46 | 40 | 410 | 145 | 110 | 4 | 20 | 5,3 |
| ИФС-А-40-16 | 40 | 16 | 46 | 44 | 410 | 145 | 110 | 4 | 20 | 5,9 |
| ИФС-А-40-25 | 40 | 25 | 46 | 48 | 410 | 145 | 110 | 4 | 20 | 6,2 |
| ИФС-А-50-10 | 50 | 10 | 59 | 40 | 460 | 160 | 125 | 4 | 20 | 6,8 |
| ИФС-А-50-16 | 50 | 16 | 59 | 48 | 460 | 160 | 125 | 4 | 20 | 8,3 |
| ИФС-А-50-25 | 50 | 25 | 59 | 48 | 460 | 160 | 125 | 4 | 20 | 8,5 |
| ИФС-А-65-10 | 65 | 10 | 78 | 44 | 460 | 180 | 145 | 4 | 20 | 9,0 |
| ИФС-А-65-16 | 65 | 16 | 78 | 52 | 460 | 180 | 145 | 4 | 20 | 10,8 |
| ИФС-А-65-25 | 65 | 25 | 78 | 52 | 460 | 180 | 145 | 8 | 20 | 11,2 |
| ИФС-А-80-10 | 80 | 10 | 91 | 44 | 470 | 195 | 160 | 4 | 20 | 11,3 |
| ИФС-А-80-16 | 80 | 16 | 91 | 52 | 470 | 195 | 160 | 4 | 20 | 12,4 |
| ИФС-А-80-25 | 80 | 25 | 91 | 56 | 470 | 195 | 160 | 4 | 20 | 14,0 |
| ИФС-А-100-10 | 100 | 10 | 110 | 48 | 470 | 215 | 180 | 8 | 20 | 15,2 |
| ИФС-А-100-16 | 100 | 16 | 110 | 56 | 470 | 215 | 180 | 8 | 20 | 17,0 |
| ИФС-А-100-25 | 100 | 25 | 110 | 60 | 470 | 230 | 190 | 8 | 24 | 21,0 |
| ИФС-А-150-10 | 150 | 10 | 161 | 52 | 480 | 280 | 240 | 8 | 24 | 20,0 |
| ИФС-А-150-16 | 150 | 16 | 161 | 60 | 480 | 280 | 240 | 8 | 24 | 24,0 |
| ИФС-А-150-25 | 150 | 25 | 161 | 64 | 480 | 300 | 250 | 8 | 28 | 31,0 |
| ИФС-А-200-10 | 200 | 10 | 222 | 62 | 490 | 335 | 295 | 12 | 24 | 26,0 |
| ИФС-А-200-16 | 200 | 16 | 222 | 64 | 490 | 335 | 295 | 12 | 24 | 32,0 |
| ИФС-А-200-25 | 200 | 25 | 222 | 68 | 490 | 360 | 310 | 12 | 28 | 42,0 |

